查看完整版本: [-- ROCK&RIDE 3.0 成都太古里店 / WBS里外工作室 [47P] --]

武当休闲山庄 -> 无奇不有 -> ROCK&RIDE 3.0 成都太古里店 / WBS里外工作室 [47P] [打印本页] 登录 -> 注册 -> 回复主题 -> 发表主题

jjybzxw 2026-03-05 11:06


项目定位


在包豪斯的图景框架之下,结合品牌3.0未来反叛精神理念,构建了一个较为先锋的店铺氛围,浓烈的色彩对撞,复古的马赛克砖,做旧的工业不锈钢,激情与克制并存,古典与先锋的碰撞,呈现出ROCK&RIDE全新的店铺形象。




设计策略
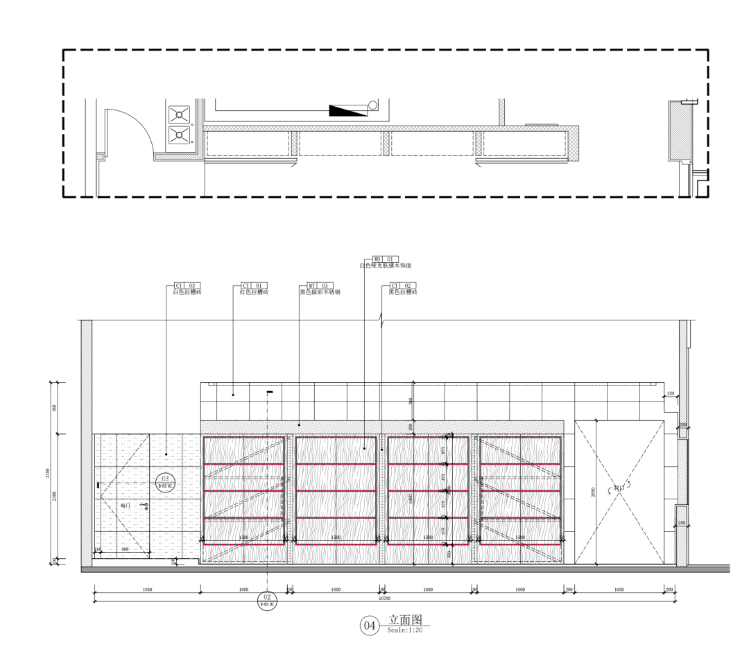
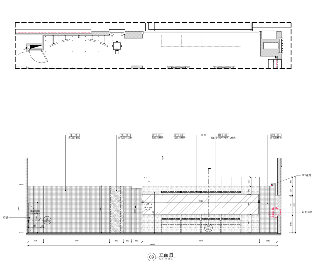
ROCK&RIDE具有丰富的品牌文化资产,在以往的品牌理念与空间呈现中,美式复古是不可或缺的元素,成都太古里店作为品牌新形象的呈现,以及对当下新零售趋势的回应与引领,色彩上选用黑白红,形成强烈的对撞感,在道具以及墙面的展陈上,运用工业质感的做旧不锈钢来表达包豪斯氛围。






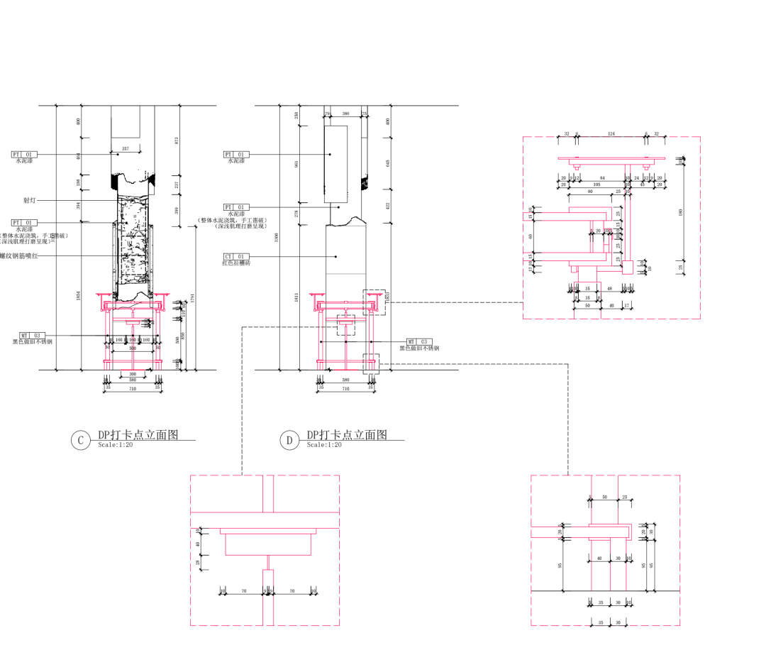
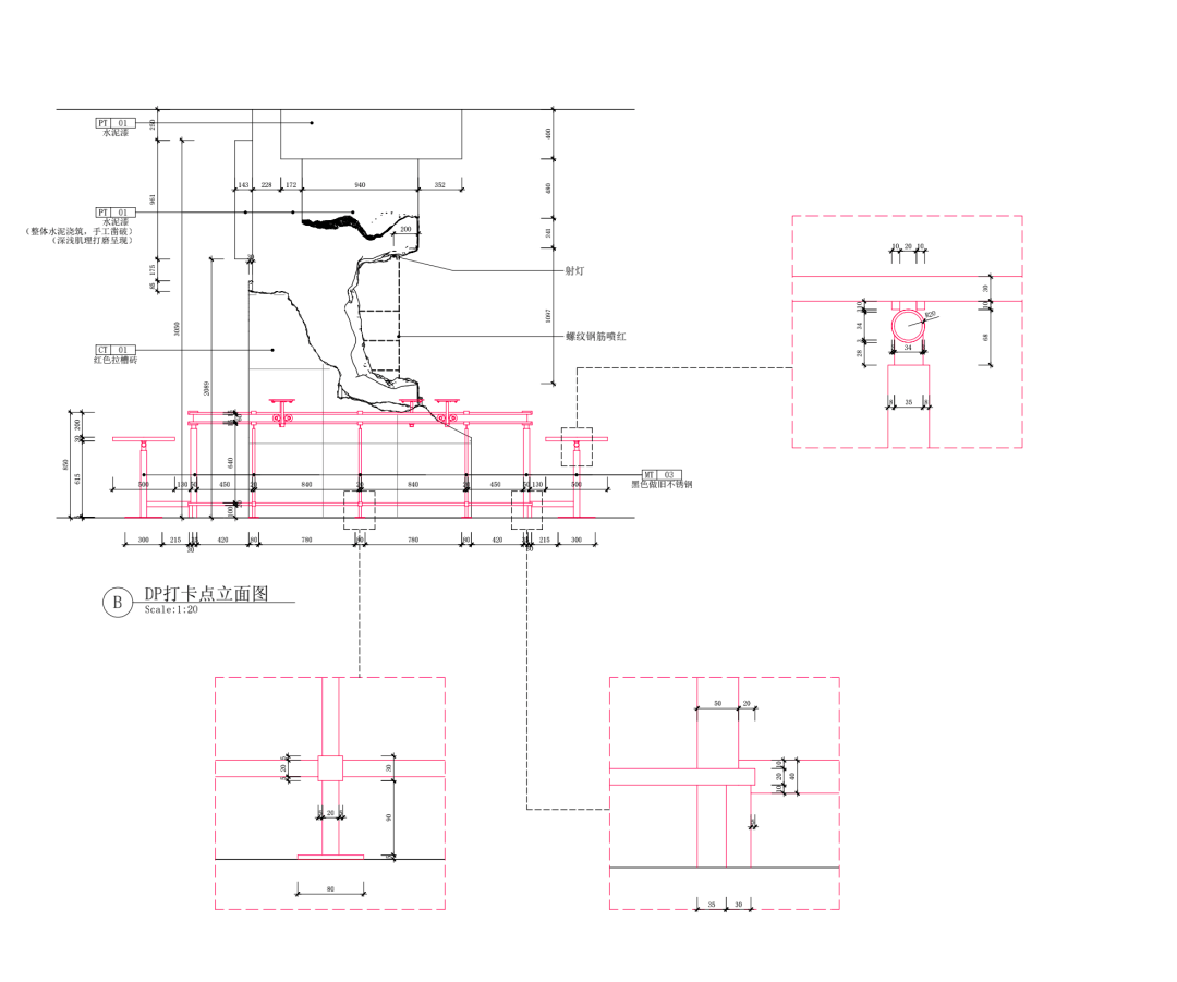
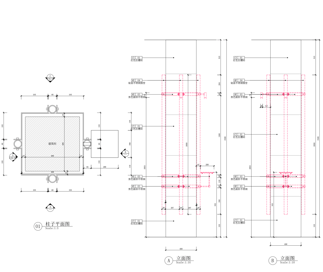
在店铺空间中,有一个不可避免的柱子,我们希望利用原始建筑结构呈现出新的空间亮点。在现有柱子基础上现浇混凝土,表皮贴红色马赛克砖,然后将其统一敲掉,裸露出原始与新建的混凝土结构,甚至将里面的钢筋赤裸的呈现出来,此时这棵柱子成为了空间的艺术装置,传递着品牌把自己的内里剖开,让大家看到品牌演进过程的理念。





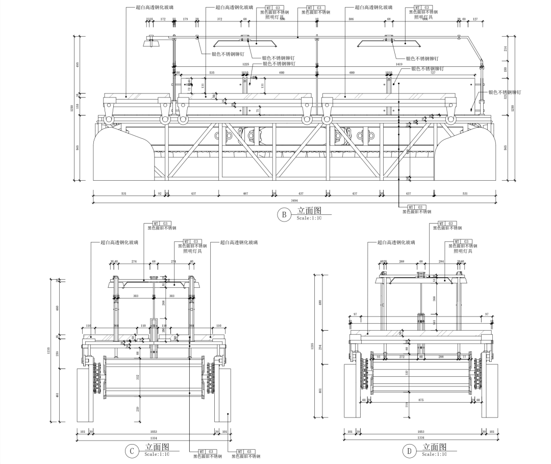
我们用脚手架搭建出店铺的艺术空间,保留品牌基因中工业风的质感,以抛光的不锈钢来呼应品牌银饰的精致感。结合led屏幕建立与顾客的互动,通过摄像头捕捉人的行为并结合艺术处理,呈现出具有艺术感的联动背景画面。





成都太古里街区整体呈现出较为沉稳的中式风格及色彩,为了凸显富有激情的品牌特性,ROCK&RIDE 作为一个闯入者的角色进入街区,外立面以红色马赛克盒子的形态插入空间中,为街区带来活力、先锋与反叛精神。



项目图纸







平面图
节点图









立面图





项目名称:ROCK&RIDE 3.0 成都太古里店
项目类型:零售商业
设计方:WBS里外工作室
项目完成时间: 2025年10月
建筑面积: 131㎡
项目地址: 成都太古里L2层2225号
主创设计师: 张哲
设计团队: 张海莹,王啸宇,Maggie
摄影师: UK Studio
委托方: ROCK&RIDE
材料:马赛克瓷砖,不锈钢

jjybzxw 2026-03-05 11:06
ROCK&RIDE 3.0成都太古里店:先锋与复古碰撞的零售新地标
项目定位:包豪斯框架下的品牌精神演绎
在包豪斯的图景框架下,ROCK&RIDE 3.0成都太古里店深度融合品牌3.0未来反叛精神理念,精心构建出一个先锋感十足的店铺氛围。这种氛围并非单一的视觉呈现,而是多种元素的激烈碰撞与和谐共生。浓烈的色彩对撞,如黑白红之间的强烈反差,瞬间抓住人们的视线;复古的马赛克砖与做旧的工业不锈钢相互搭配,让激情与克制并存,古典与先锋在此激烈碰撞,从而塑造出ROCK&RIDE全新的店铺形象,使其在众多零售店铺中脱颖而出。
设计策略:多维度打造独特零售空间
色彩与材质的巧妙运用
ROCK&RIDE拥有丰富的品牌文化资产,美式复古元素在以往的品牌理念与空间呈现中占据重要地位。在成都太古里店这一品牌新形象的展示窗口,为了回应并引领当下新零售趋势,设计团队在色彩上大胆选用黑白红,形成极具冲击力的对撞感,给人留下深刻的视觉印象。在道具以及墙面的展陈方面,运用工业质感的做旧不锈钢,精准地表达出包豪斯氛围,既延续了品牌基因中的工业风质感,又与包豪斯的简约、功能性理念相契合。
原始建筑结构的创新利用
店铺空间中不可避免地存在一根柱子,设计团队没有选择将其隐藏或简单装饰,而是巧妙地利用这一原始建筑结构,将其转化为新的空间亮点。在现有柱子基础上现浇混凝土,表皮贴上红色马赛克砖,然后统一敲掉,使原始与新建的混凝土结构裸露在外,甚至将里面的钢筋也赤裸呈现。此时的柱子不再是普通的建筑构件,而是成为了空间的艺术装置,生动地传递着品牌把自己的内里剖开,让大家看到品牌演进过程的理念,赋予了柱子新的生命和意义。
脚手架与科技元素的融合
用脚手架搭建店铺的艺术空间,保留了品牌基因中工业风的质感,同时以抛光的不锈钢来呼应品牌银饰的精致感,实现了工业风与精致感的完美平衡。结合LED屏幕建立与顾客的互动,通过摄像头捕捉人的行为并结合艺术处理,呈现出具有艺术感的联动背景画面。这种科技元素的融入,不仅增强了店铺的趣味性和互动性,还为顾客带来了全新的购物体验,使店铺成为一个充满活力和创意的社交场所。
外立面与街区风格的对比
成都太古里街区整体呈现出较为沉稳的中式风格及色彩,为了凸显ROCK&RIDE富有激情的品牌特性,店铺以红色马赛克盒子的形态作为外立面插入空间中。这种鲜明的对比使店铺如同一个闯入者,为街区带来了活力、先锋与反叛精神,打破了街区原有的沉稳氛围,成为街区中一道独特的风景线,吸引着过往行人的目光。
项目信息:专业团队打造精品零售空间
项目名称:ROCK&RIDE 3.0成都太古里店
项目类型:零售商业
设计方:WBS里外工作室,该工作室凭借专业的设计能力和创新的思维,为项目注入了独特的灵魂。
项目完成时间:2025年10月,经过精心规划和施工,确保了项目的高质量呈现。
建筑面积:131㎡,在有限的空间内,设计团队充分发挥创意,实现了空间的最大化利用和功能的合理布局。
项目地址:成都太古里L2层2225号,优越的地理位置为店铺带来了充足的客流量和商业机会。
主创设计师:张哲,以其独特的设计理念和丰富的经验,引领整个设计团队打造出这个令人瞩目的项目。
设计团队:张海莹、王啸宇、Maggie,团队成员各司其职、密切配合,共同为项目的成功实施贡献力量。
摄影师:UK Studio,通过专业的摄影技术,将店铺的独特魅力完美呈现出来。
委托方:ROCK&RIDE,对品牌的深刻理解和追求卓越的品质要求,促使了这个精彩项目的诞生。
材料:主要采用马赛克瓷砖和不锈钢,这两种材料的巧妙运用,为店铺营造出了独特的视觉效果和质感。

ROCK&RIDE 3.0成都太古里店通过独特的项目定位和精妙的设计策略,在有限的空间内创造出了无限的可能。它不仅是一个零售商业空间,更是一个艺术与科技融合的展示平台,为顾客带来了全新的购物体验和视觉享受,有望成为成都太古里的新地标和零售行业的新典范。


姜谷粉丝 2026-03-05 11:12
一、设计灵感:工业机械美学与在地文化融合
动力符号化
借鉴品牌深圳万象天地快闪店的"燃料塔与喷射装置"概念,通过锥形金属结构、动态灯光(如火焰红光)模拟机械蓄能喷发的视觉张力,呼应品牌美式复古机车精神。
本土元素转译
可能融入川西民居旧建材(如回收木梁)或蜀地文化符号,延续成都太古里十周年展"新旧共生"策略11,实现工业粗犷感与在地韵味的碰撞。
二、空间策略:城市公共性与商业体验平衡
退让式灰空间设计
沿袭WBS标志性的"以退为进"手法:临街立面后退形成遮阳避雨的开放区域,解决客流排队问题的同时,将店铺边界转化为城市社交节点。
双立面叙事
主街立面:采用耐候钢+玻璃幕墙,内部展陈一目了然,夜间配合灯光装置形成地标效应;
背街立面:可能呼应成都巷弄文化,以低调材质(夯土、青砖)衔接周边环境,营造探索感。
三、室内体验:沉浸式复古叙事
环形动线+焦点装置
沿玻璃幕墙设置开放式展柜,中央嵌入"机械塔"艺术装置,形成视觉焦点,强化品牌记忆点。
材质与光影叙事
天花:悬挂回收金属波浪板,塑造工业废墟般的粗粝质感;
灯光:局部聚焦射灯突出古董银饰,结合可变色氛围灯带模拟机车引擎律动。
零售场景革新
参考品牌深圳店"公路牌"标识系统,成都店或引入川藏公路元素,结合互动屏幕展示银饰制作工艺,升级文化体验。
四、可持续与快闪基因
可拆卸模块化结构
若为限时店,将延续快闪属性:主体构件预制化,减少施工污染,契合太古里"WELL铂金级认证"可持续标准。
本土艺术共创
可能联合四川美院等机构,在墙面植入本地艺术家创作的机车主题涂鸦或金属雕塑,强化社群联结。


查看完整版本: [-- ROCK&RIDE 3.0 成都太古里店 / WBS里外工作室 [47P] --] [-- top --]


Powered by www.wdsz.net v8.7.1 Code ©2005-2018www.wdsz.net
Gzip enabled


沪ICP备:05041533号